AZMOTORS pièces entretien réparation révision accessoires
Microfiches et schema eclatés des Pièces BETA EVO 2T -125CC- FACTORY - (2020)
1 Consommables Revision
Accessoires Du Chassis
Allumage
Amortisseur
Boite A Vitesses
Boitier Du Filtre A Air
Carburateur
Carburateur Detail
Carenages Autollants
Carenages Reservoir Selle
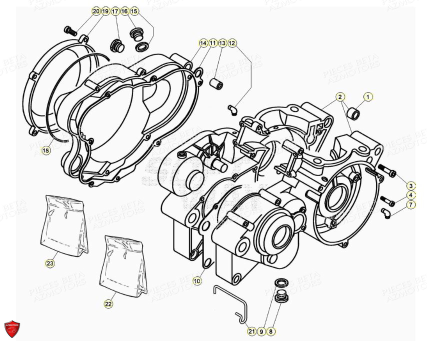
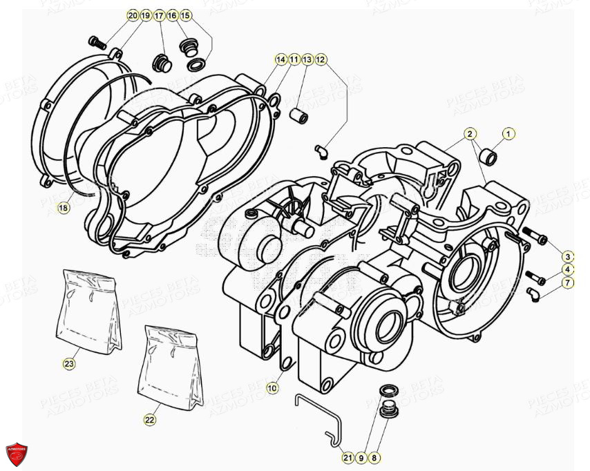
Carters
Chassis
Commandes Guidon
Commande Boite Levier De Vitesses
Echappement
Embrayage
Fouche Arriere Suspension Arriere
Fourche
Freins
Installation Electrique
Kick Starter
Outillage Special
Outils Special
Pompe A Eau
Radiateur
Roue Arriere
Roue Avant
Vilebrequin Piston Contre Arbre










