AZMOTORS pièces entretien réparation révision accessoires
Microfiches et schema eclatés des Pièces BETA RR Motard 125 LC - 2013/2014
Accessoires Du Chassis Du 0100001 A 0100365
Accessoires Du Chassis Du 0100388 A 0100401
Accessoires Du Chassis Du 0100402 A 0199999
Accessoires Du Chassis Du 0100366 A 0100387
Allumage
Boite A Vitesses
Boitier Du Filtre
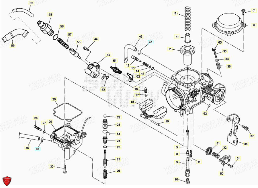
Carburateur Detail
Carburateur Keihin D 29
Carenages Reservoir Selle Du 0100001 A 0100276
Carenages Reservoir Selle Du 0100277 A 0199999
Carters
Carters Couvercles
Chassis
Commandes Guidon
Commande Boite A Vitesses Fourchettes
Commande Levier De Vitesses
Culasse
Demarreur
Demarreur Roue Libre
Distribution
Echappement
Embrayage
Fouche Arriere Suspension Arriere
Fourche De 0100366 A 0100425
Fourche Du 0100001 A 0100365
Freins
Installation De Refroidissement
Installation Electrique
Outillage Special
Pompe A Eau
Pompe A Huile
Roue Arriere Du 0100001 A 0100365
Roue Arriere Du 0100366 A 0199999
Roue Avant Du 0100001 A 0100365
Roue Avant Du 0100366 A 0199999
Soupapes
Vilebrequin Piston Contre Arbre










