AZMOTORS pièces entretien réparation révision accessoires
Microfiches et schema eclatés des Pièces Beta ENDURO RR 125 4T R LC - 2020
Accessoires Du Chassis
Allumage
Boite A Vitesses
Boitier Du Filtre A Air
Carburateur
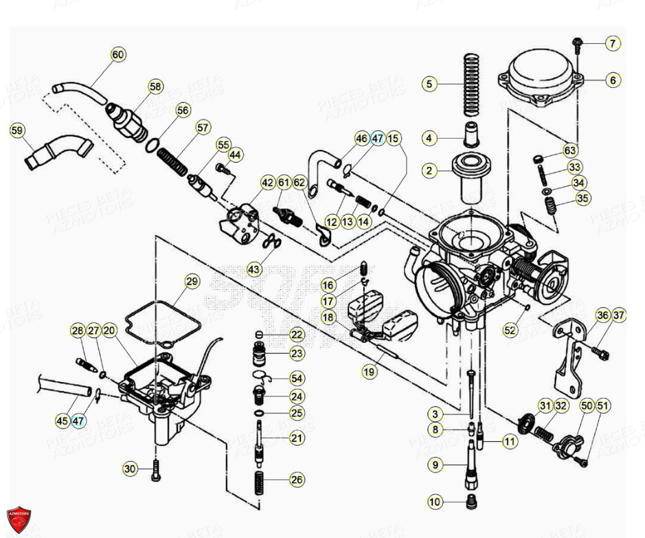
Carburateur Detail
Carenages Reservoir Selle
Carter
Carter D Embrayage
Chassis
Commandes Guidon
Commande Boite A Vitesses
Commande Selecteur De Vitesses
Cylindre Culasse Bougie
Cylindre Culasse Distribution
Cylindre Culasse Soupapes
Demarrage Electrique
Demarreur
Echappement
Embrayage
Fouche Arriere Suspension Arriere
Fourche
Freins
Installation De Refroidissement Radiateur
Installation Electrique Batterie
Outillage Special
Pompe A Eau
Pompe A Huile
Roue Arriere
Roue Avant
Vilebrequin Piston Contre Arbre










