AZMOTORS pièces entretien réparation révision accessoires
Microfiches et schema eclatés des Pièces Beta ENDURO RR 125 4T R LC - 2019
Accessoires Du Chassis
Allumage
Boite A Vitesses
Boitier Du Filtre Air
Carburateur
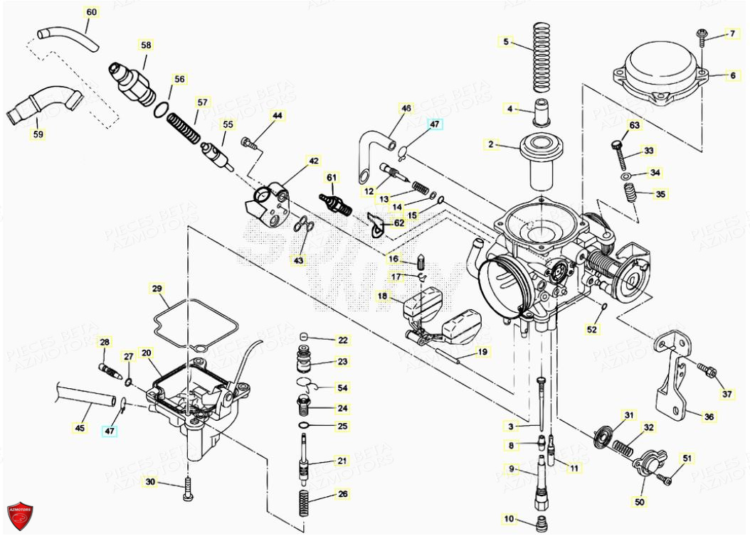
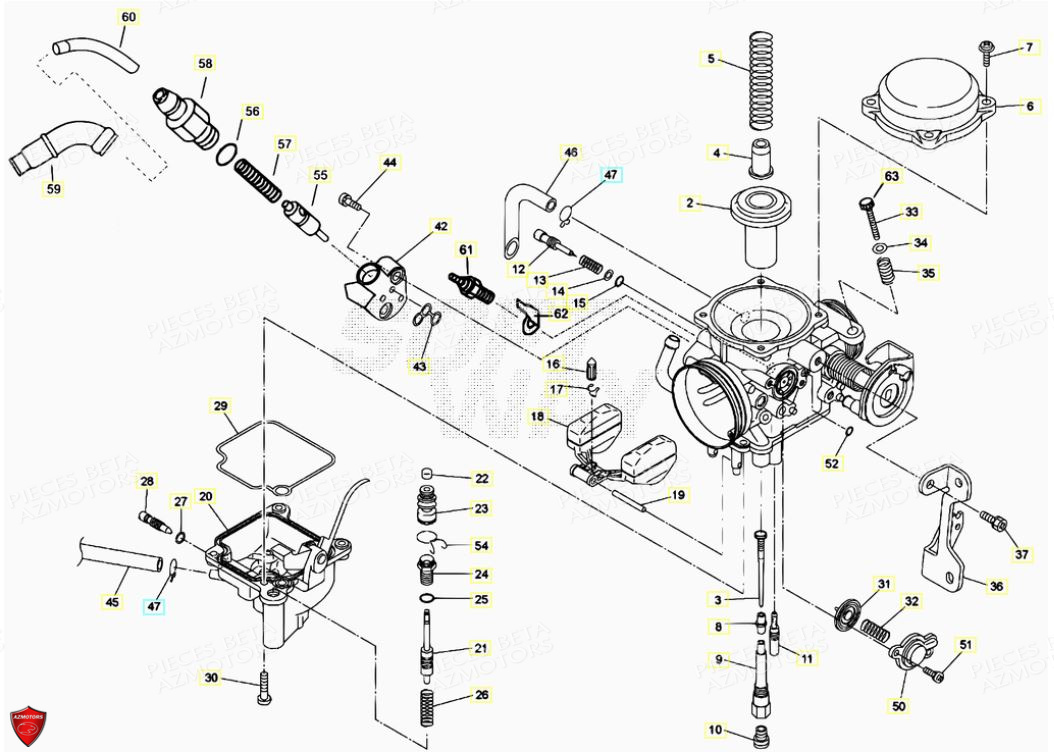
Carburateur Detail
Carenages Reservoir Selle
Carter
Carter D Embrayage
Chassis
Commandes Guidon
Commande Boite A Vitesses
Commande Levier De Vitesses
Cylindre Culasse Bougie
Cylindre Culasse Distribution
Cylindre Culasse Soupapes
Demarrage Electrique
Demarreur
Echappement
Embrayage
Fouche Arriere Suspension Arriere
Fourche
Freins
Installation Electrique
Outillages Special
Pompe A Eau
Pompe A Huile
Radiateur
Roue Arriere
Roue Avant
Vilebrequin Piston Contre Arbre










