AZMOTORS pièces entretien réparation révision accessoires
Microfiches et schema eclatés des Pièces Beta ENDURO RR 125 4T LC - 2020
Accessoires Du Chassis
Allumage
Boite A Vitesses
Boitier Du Filtre A Air
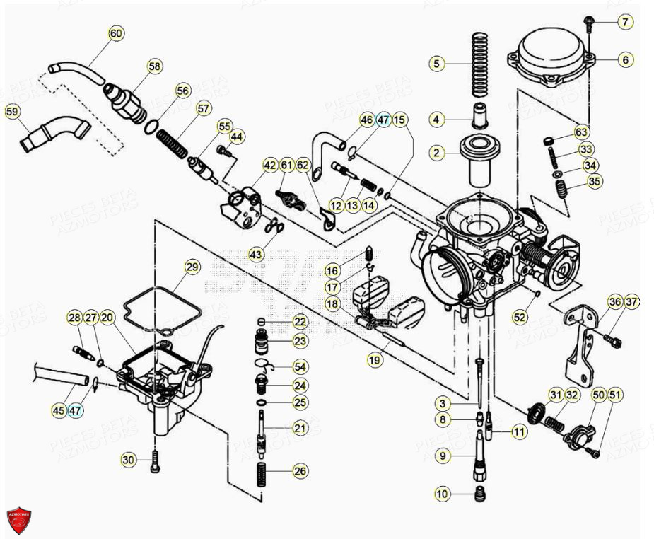
Carburateur
Carburateur Detail
Carenages Reservoir Selle
Carter
Carter D Embrayage
Chassis
Commandes Guidon
Commande Boite A Vitesses
Commande Levier De Vitesses
Cylindre Culasse Distribution
Cylindre Culasse Soupapes
Cylindre Culasse Bougie
Demarrage Electrique
Demarreur
Echappement
Embrayage
Fouche Arriere Suspension Arriere
Fourche
Freins
Installation Electrique
Outillage Special
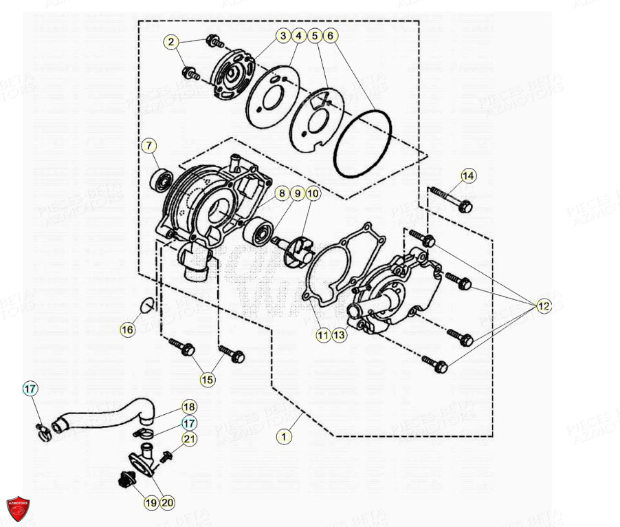
Pompe A Eau
Pompe A Huile Filtre A Huile
Radiateur
Roue Arriere
Roue Avant
Vilebrequin Piston Contre Arbre










