AZMOTORS pièces entretien réparation révision accessoires
Microfiches et schema eclatés des Pièces Beta ENDURO RR 125 4T LC CBS - 2018
Accessoires Du Chassis
Allumage
Boite A Vitesses
Boitier Du Filtre
Carburateur
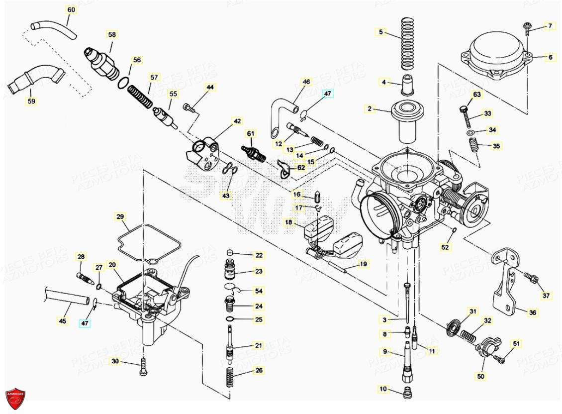
Carburateur Detail
Carenages Reservoir Selle
Carter
Carter D Embrayage
Chassis
Commandes Guidon
Commande Boite A Vitesses
Commande Levier De Vitesses
Cylindre Culasse
Cylindre Culasse Distribution
Cylindre Culasse Soupapes
Demarrage Electrique
Demarreur
Echappement
Embrayage
Fouche Arriere Suspension Arriere
Fourche
Freins
Installation Electrique
Outillage Special
Pompe A Eau
Pompe A Huile
Radiateur Installation De Refroidissement
Roue Arriere
Roue Avant
Vilebrequin Piston Contre Arbre










