AZMOTORS pièces entretien réparation révision accessoires
Microfiches et schema eclatés des Pieces BETA RR 2T 300 - (2023)
Accessoires
Accessoires Du Chassis
Admission
Allumage
Amortisseur
Boite A Vitesses
Bras Oscillant
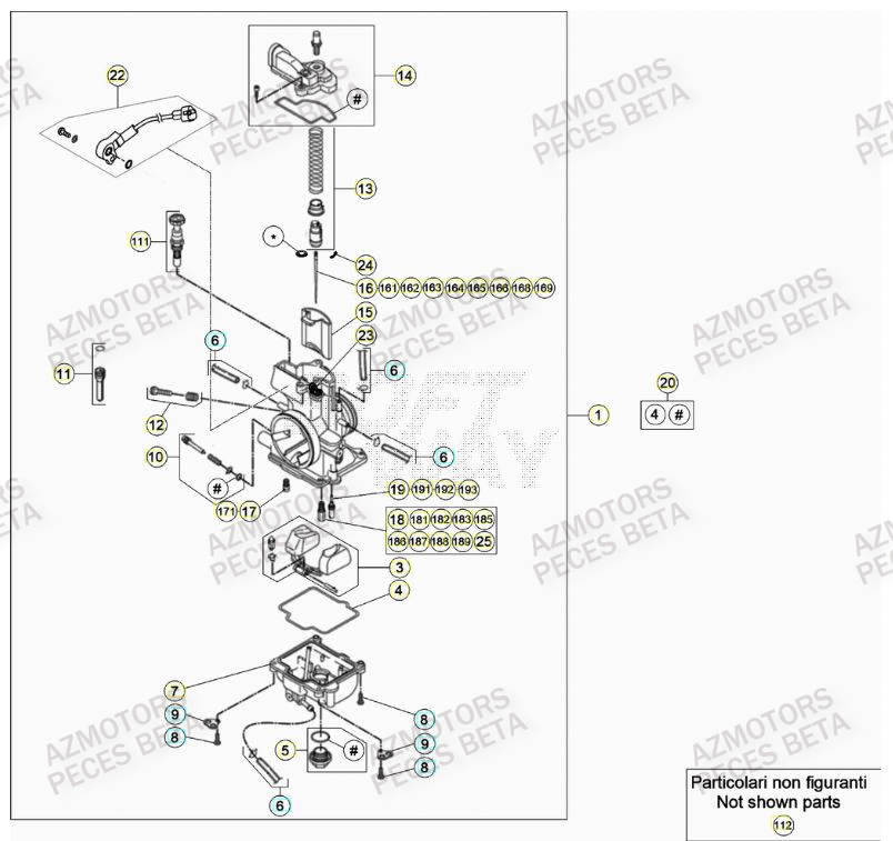
Carburateur
Carenage Arriere
Carenage Avant
Carter Moteur
Chassis
Couvercle Embrayage
Culbuteur
Cylindre
Demarreur
Echappement
Embrayage
Equipement Electrique
Filtre A Air
Fourche
Freins
Guidon
Manuel
Outils
Radiateur
Roue Arriere
Roue Avant
Selecteur De Vitesses
Transmission
Vilebrequin










