AZMOTORS pièces entretien réparation révision accessoires
Microfiches et schema eclatés des Pièces ALP 125 [2008-2011]
Accessoires Du Chassis
Admission
Allumage
Arbre A Came
Batterie
Bras Oscillant
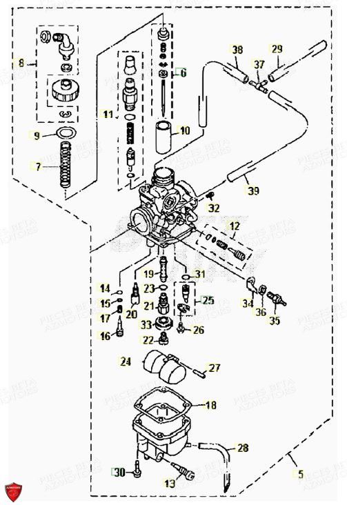
Carburateur
Carenage
Carter D Huile
Carter Moteur
Chassis
Culasse
Demarreur
Distribution
Echappement
Embrayage
Equipement Electrique
Filtre A Air
Fourche
Freins
Guidon
Kick Starter
Pompe A Huile
Roue Arriere
Roue Avant
Roue Libre
Selecteur De Vitesses
Soupapes
Transmission
Vilebrequin










